LabUnit M37/38
The Alfa Laval LabUnit M37/38 is a fully integrated plate-and-frame system for ultrafiltration and microfiltration membrane processes. The module of this unit utilizes the same support plates and membranes as our full-scale membrane filtration modules. This makes the Alfa Laval LabUnit M37/38 a flexible tool for process development, up-scaling, membrane testing, quality assurance and small-scale production. Optional plate sets are available for feeds of different viscosity / solids content
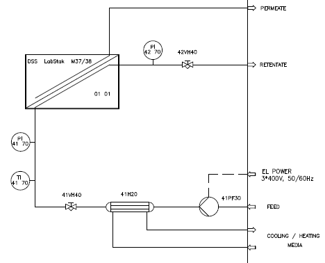
Fully integrated system
The LabUnit M37/38 is a fully integrated desktop system comprising an Alfa Laval LabStak® M37/38 module, pump, pipework, valves and instrumentation.
The Alfa Laval LabUnit M37/38 offers the flexibility to simultaneously test up to 7 different membrane types. It can be fitted with the full range of Alfa Laval flat sheet membranes for ultrafiltration and microfiltration.
Option
For the Alfa Laval LabUnit M37/38 we offer plate sets with diffent channel heights to optimize flow and pressure:
- M37 plate set
For high viscosity liquids - M38H plate set
High channel, for medium viscosity liquids - M38L plate set
Low channel, for low viscosity liquids
Alfa Laval LabStak® M37/38
The Alfa Laval LabStak® M37/38 installed in the Alfa Laval LabUnit M37/38 is also available as a separate test unit for the same applications as the Alfa Laval LabUnit M37/38, and with the same distinct properties.
Benefits
- fully integrated system comprising an Alfa Laval LabStak® M37 or M38 complete with pump, pipework, valves, heat exchanger and instrumentation
- coupling possible to the by-pass stream of an industrial plant
- flow pattern similar to that of larger plants for up-scaling reliability
- different channel height options available to optimize flow and pressure
- flexible system design
- flexible membrane area between 0.11 and 1.05 m²
- simultaneous test of up to 7 different membrane types
- easy exchange of membranes
- high operating temperature (up to 80°)
- low internal volume
- all components in compliance with FDA regulations, allowing use within food and pharmaceutical processing applications
Fonctionnement
Le PilotUnit Multi d'Alfa Laval se présente sous la forme d'une unité montée sur skid et comprend tous les instruments, équipements et tuyauteries préfabriquées nécessaires prêts à l'emploi. Tout ce que vous avez à faire est d'installer et de connecter l'alimentation du produit, les services et l'alimentation électrique.
Le produit entre dans la cuve par la vanne d'alimentation (avec contrôle de niveau). Il est ensuite pompé jusqu'à l'étape de filtration par membrane où le système ajuste automatiquement la vitesse de la pompe et maintient le débit de flux croisé requis pour réduire l'encrassement et assurer la concentration en douceur de votre produit.
L'opérateur peut ajuster les contrôleurs à partir du système de contrôle basé sur le PLC MemProC® qui comprend un système d'enregistrement de données pour les transmetteurs de l'unité. Les données peuvent être téléchargées sur une clé USB.
Modèle de flux d'une installation typique
